近光灯:从20A保险丝出发,到达前大灯和IP灯变光开关N脚,开关闭合从前大灯和IP灯变光开关L脚流出,经过S221结点和C201插头E13针脚到达前大灯变光器开关,开关结合,电流从C201插头的E12脚流出,到前大灯近光继电器的C5端子。S221结点出发到达前大灯近光继电器的B5端子经过线搭铁点搭铁,前大灯近光继电器C5和C7开关被接通,电流到达保险丝盒的左前近光灯保险丝和右前近光灯保险丝,经过P100车身接口和发动机罩下电器中心,C2插头的F8和F12端子,从C3插头的A8和A12端子流出,到达两前大灯的4号脚。从G101和G102搭铁点搭铁。
远光灯:从20A保险丝出发,到达前大灯和IP灯变光开关N脚,开关闭合从前大灯和IP灯变光开关L脚kb体育官网 kb体育网址流出,经过S221结点和C201插头E13针脚到达前大灯变光器开关,远光电路接通,从C201插头E11脚流出,经S219结点到达仪表组件C1插头的D端子,经过远光指示器,从A脚流出,经过S230结点从G200搭铁点搭铁。另一路从S219结点出发,到达保险丝盒的左前远光灯保险和右前远光灯保险,经过P100车身接口从保险盒C2插头的E11和F11脚流经保险盒,从C3插头的C11和E11端子到达两前大灯的3号脚。从G101和G102搭铁点搭铁。

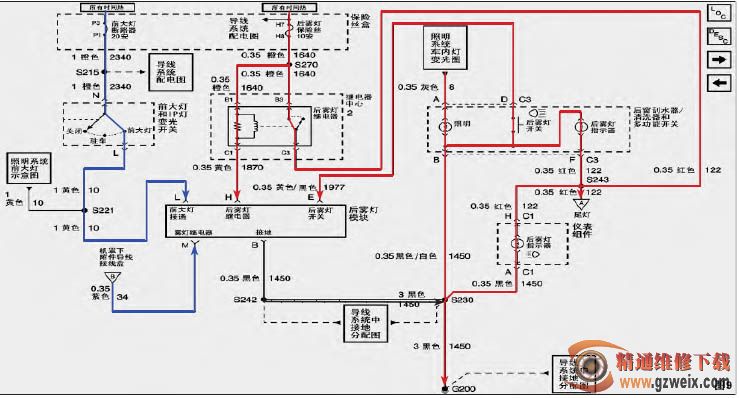
从驻车灯保险丝出发,到达前大灯和IP灯变光开关的O脚,从R脚流出,经过雾灯开关到达雾灯继电器85号脚,从86号脚流出,流经两前大灯电路搭铁。
从雾灯保险丝出发,流经雾灯继电器的30号脚,从85号脚流出,分别到达雾灯启量指示器到G200搭铁点搭铁;到达后雾灯模块;到达左前雾灯从G101搭铁点搭铁;到达右前雾灯从G102搭铁点搭铁。

从后雾灯保险丝出发,到达后雾灯继电器B1端子;从C1端子流出,到达后雾灯模块H端子。后雾灯继电器B3和C3端子接通,后雾灯开关结合后,后雾灯指示器通电到达S243结点,分别到达后尾灯和仪表组件后雾灯指示器,经S230结点到G200搭铁点搭铁。

从S243结点出发,到达S419结点,然后分别到达两后尾灯的C端子,电流从E端子流出到达S406结点,到达G401搭铁。

左转:从转向信号保险出发,经过闪光继电器2号脚,从4号脚流出后,经危险警告灯开关,到达转向开关后分别从C201插头的A7和E7端子,到达左前转向灯、左侧尾灯和仪表组件。
右转:从转向信号保险出发,经过闪光继电器2号脚,从4号脚流出后,经危险警告灯开关,到达转向开关后分别从C201插头的E6和A6端子,到达右前转向灯、右侧尾灯和仪表组件。

从危险警告灯保险出发,经闪光继电器2号脚,从4号脚流出到达危险警告灯开关,分别流向C201插头经A7端子到达左前转向灯;经E7端子到达左侧尾灯和仪表组件;经E6端子到达右侧尾灯和仪表组件;经A6端子到达右前转向灯。